
http://g-gotoh.com/international/product/se700.html




Schaller GandTune
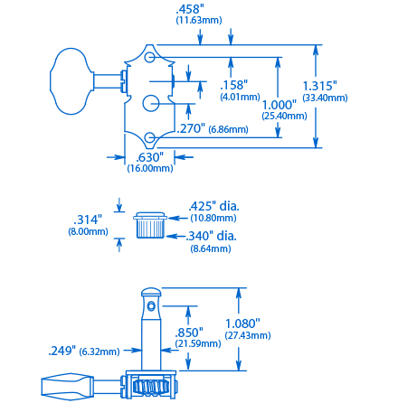
Center distance for screw holes…Gotoh SE700 – 0.937” / Grover Sta-Tite 18:1 – 1.010” / Waverly solid headstock 1.000” / Schaller GrandTune – 1.000″
Tuner shaft size…Gotoh SE700 – 0.250” / Grover Sta-Tite 18:1 – 0.249” / Waverly solid headstock 0.249” / Schaller GrandTune – 0.236″
Leave a comment